
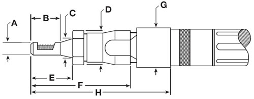
| SIZE | A | B | A | B | C | D | E | F | G | H | |
| INCH | METRIC | FOR BULK INSERTS | FOR STRIP FEED INSERTS | ||||||||
| NO. 2 | M2.2 | -- | -- | 5/16 | 7/16 | 23/32 | 1-1/8 | 1-3/8 | 3-3/16 | 1-1/4 | 4-7/16 |
| NO. 4 | M2.5 | 1/4 | 9/16 | 3/8 | 15/16 | 23/32 | 1-1/8 | 1-3/8 | 3-3/16 | 1-1/4 | 4-7/16 |
| NO. 5 | M3 | 9/32 | 9/16 | 3/8 | 15/16 | 23/32 | 1-1/8 | 1-3/8 | 3-3/16 | 1-1/4 | 4-7/16 |
| NO. 6 | M3.5 | 5/16 | 9/16 | 1/2 | 15/16 | 23/32 | 1-1/8 | 1-3/8 | 3-3/16 | 1-1/4 | 4-7/16 |
| NO. 8 | M4 | 11/32 | 9/16 | 1/2 | 15/16 | 23/32 | 1-1/8 | 1-3/8 | 3-3/16 | 1-1/4 | 4-7/16 |
| NO. 10 | M5 | 3/8 | 29/32 | 1/2 | 15/16 | 23/32 | 1-1/8 | 1-3/8 | 3-3/16 | 1-1/4 | 4-7/16 |
| 1/4* | M6 | 27/64 | 29/32 | 5/8 | 1-3/8 | 23/32 | 1-1/8 | 1-3/8 | 3-3/16 | 1-1/4 | 4-7/16 |
| 5/16* | M7 & M8 | 9/16 | 1-1/8 | 11/16 | 1-1/8 | 1* | 1-9/16 | 1-3/8 | 4-7/16 | 1-1/4 | 5-3/4 |
| 3/8* | -- | 11/16 | 1-11/32 | -- | -- | 1* | 1-9/16 | 1-7/8 | 4-3/4 | 1-1/4 | 6-1/32 |
| 7/16* | M10 | 3/4 | 1-17/32 | -- | -- | 1* | 1-9/16 | 2-1/4 | 5-1/8 | 1-1/4 | 6-13/32 |
| 1/2* | M12 | 13/16 | 1-25/32 | -- | -- | 1* | 1-9/16 | 1-1/2 | 5-13/32 | 1-1/4 | 6-11/16 |
Copyright © 2013 Crown Equipment & Supply Inc. | Santa Ana, California 92705 | ISO 9001:2008 Certified | (714) 662-0193 | sales@crowneq-supply.com